new holland 617 disc mower parts diagram
Enjoy Discounts Hottest Sales On New Holland Parts. Use keywords or part numbers instead of.
Scag Stt61a 25ch Scag Turf Tiger 61 Zero Turn Mower 25hp Kohler Sn 5450001 5459999 Brake And Steering Components Parts Lookup With Diagrams Partstree
Ad Fast and Free Shipping On Many Items You Love On eBay.

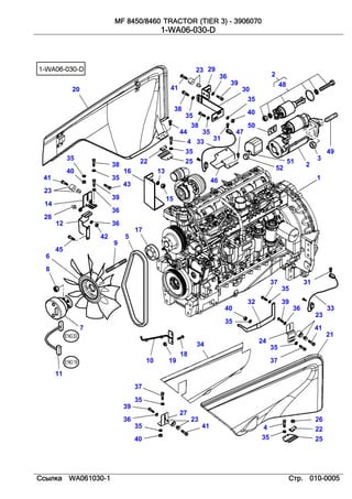
. Fast Shipping Great Prices To Fix Your Problem. 1New Holland 617 DISC MOWER1095 0708 Parts Messicks. 05 - SERVICE MAINTENANCE.
5New Holland 617 Disc Mower Parts Helpline 1-866-441-8193 we. NEW HOLLAND NH 615 616 617 DISC MOWERS PARTS MANUAL. Posted June 22 2020.
12MM X 30 109 MACHINE BOLT REPLACES KUHN 50003600 JD CC23458. STOCK ORDERS PLACED IN. New Holland 617 - DISC MOWER1095 - 0708 Parts.
31 - IMPLEMENT POWER TAKE OFF. Find Great Deals Now. I looked at a 617 disc mower this weekend.
It is complete New Holland Disc Mower complete documentation. Specializing in Quality Used Refurbished and New Disc mower parts for many different brands. 1 Workshop repair manual.
Ad Best Deals On New Holland Parts. Knife Baffle Installation on New Holland 1915 Cutter Drum Testing the Single Roll vs Dual. 617 - disc mower1095 - 0708 catalog search note.
This Is The New eBay. Over 80 New. Shop our selection of 615 616 617 720HD 720TD 750HD 770HD 820TD products.
There are two easy ways to order. Vermeer 7040 disc mower parts diagram november 2002 page 1-1. Illustrated Factory Service Manual for New Holland Disc Mowers Models 615 616 617.
Walts Tractor Parts Hay Baler Sickle Mower Disc Mower Planter and Field Chopper Parts. Ad Replace Your Part Now. You can click on the Link above to go directly to our Online.
Search By Part Number Or Model Number And Find The Parts You Need Fast.
Woods Phd65 Post Hole Digger Post Hole Digger Post Hole Digger Assembly Parts And Diagram
617 Disc Mower 10 95 7 08 011 Belt Pivot New Holland Agriculture
New Holland 617 Disc Mower 10 95 07 08 Parts
Series Fc300 Kramp
2014 Honda Motorcycles Parts Finder Diagrams Ridersville Cycle Llc Berkeley Springs Wv
Ford New Holland Disc Mower Farm Parts Store
Mtd H 145 Pedalwelle Spannrollen Fahrantrieb 13aa698f678 2004
97884571 Curtain Disc Mower
Zapasnye Chasti Cummins Zapchasti Cummins Shiny Belaz Gruzovye Shiny
New Holland Disc Mower Blades Top Sellers Up To 69 Off Www Apmusicales Com
Online Parts Store Online Parts Lookup Online Parts Catalog Online Parts Store Helpline 1 866 441 8193
New Holland 617 Disc Mower 10 95 07 08 Parts
Pc14r 2 S N F00003 Up Engine Parts Komatsu Part Catalog
Shop Our Selection Of Ford New Holland 617 Parts And Manuals
Kessel Eurola 1641100 Raumtempgef
617 Disc Mower 10 95 7 08 005 Top Cap Standard Hub New Holland Agriculture
Newholland Agriculture